詢價車
產品介紹
增量值編碼器
輕載軸心型
重載軸心型
中空軸心型
米輪型
絕對值編碼器
軸心型
中空軸心型
刀塔刀位型
磁性感測器
旋轉軸心式
中空軸心型
拉線式
超高解析型
電子手輪
面板式
手握式
拉線位移感測器
拉線式編碼器
拉線式電阻尺
通訊介面 RS-485
拉線類比感測器
直線位移感測器
信號轉換板
配件類
聯軸器
控制器
其他進口感測器
*依需求尋找ENCODER
信號轉換
通訊介面
光學感測器
旋轉式編碼器
位移式感測器
軸心型編碼器
中空軸心型編碼器
米輪型
數位信號
類比信號
CNC 機械
高解析型
角度感測器
聯軸器
熱門產品
訊息與活動
最新消息
參展訊息
技術支援
技術資料
知識專區
研發測試
關於鴻璿
聯絡我們
服務據點
聯絡函
English
繁體中文
詢價車 (
0
)
×
產品搜尋
送出
首頁
產品介紹
絕對值編碼器
中空軸心型
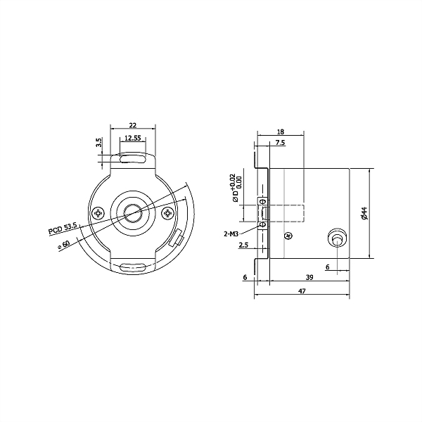
AHB
AHB
§ GRAY碼 §
• 中空軸心 8 mm
• 安裝固定尺寸 PCD 53.5
• 解析 256 PPR
附件
CE
數量 :
加入詢價車
規格
編碼器外徑:44 mm.
軸心外徑:8 mm.
解析:256 PPR